


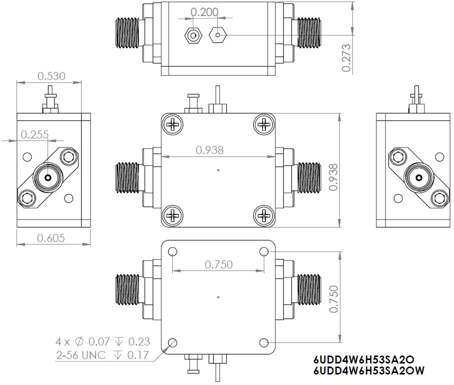
Part Number: LNA5G9GR is a flat gain, high-linearity, ultra low noise amplifier in a small 9/16”x9/16”x0.6” shielded RF enclosure. The LNA provides a 2dB flat gain (peak-to-peak) from 5 to 9 GHz. At 7 GHz, the amplifier typically provides 22 dB gain, +25.5 dBm OIP3 at a 35 mA bias setting, and 1.25 dB noise figure. The LNA can be biased from a single supply +5V~15V.
Listed pictures include Product Picture and S Parameter from 5G to 9GHz.
Proudly Made in USA by Lotus Communication Systems, INC. in Massachusetts (www.lotussys.com). SKU#: AK20-005K.