


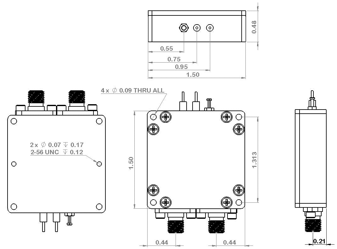
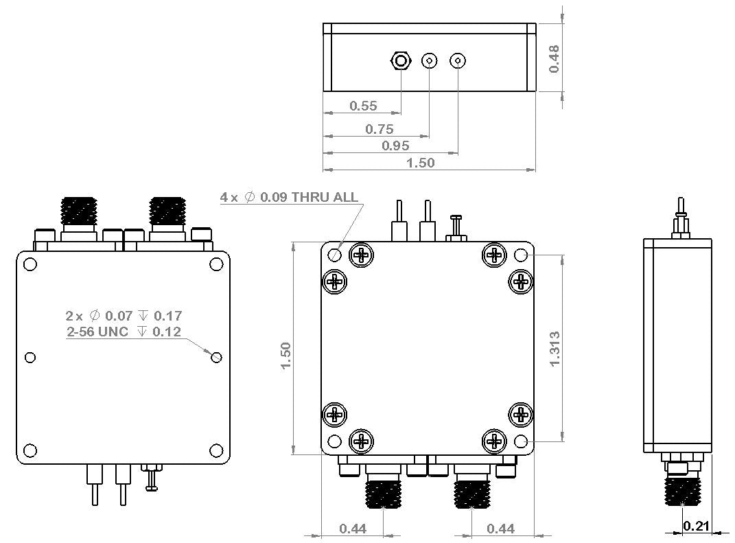
Part Number: PLO4G10MIH is a 4 GHz Phase Locked Oscillator with an internal 10 MHz reference oscillator (TCXO 0.28ppm). The PLO features excellent phase noise performance of -92 dBc/Hz @ 10kHz offset. Supply Voltage is +5V DC with low power consumption (<1 watt). This PLO is RoHS complaint with compact coaxial package (1.5”x1.5”x0.48”) and Nickel plated. It supports SMA connector and DC Bias Pins and 3.3V Lock Detect pin to indicate out-of-lock condition. The reference oscillator has an high output power level of +17 dBm and 2nd harmonic output of -20dBc typical. It only weights 1.5 Oz (42g).
SKU#: AK20-016F.
Proudly Made in USA by Lotus Communication Systems, INC. in Weston, MA.