


Part Number: BUDC2G14GE is a software defined block up/down converter. RF frequency range is 2GHz to 14GHz and IF frequency range is 500MHz to 6GHz. An Integrated low phase noise LO support LO frequencies from 1GHz to 12GHz.
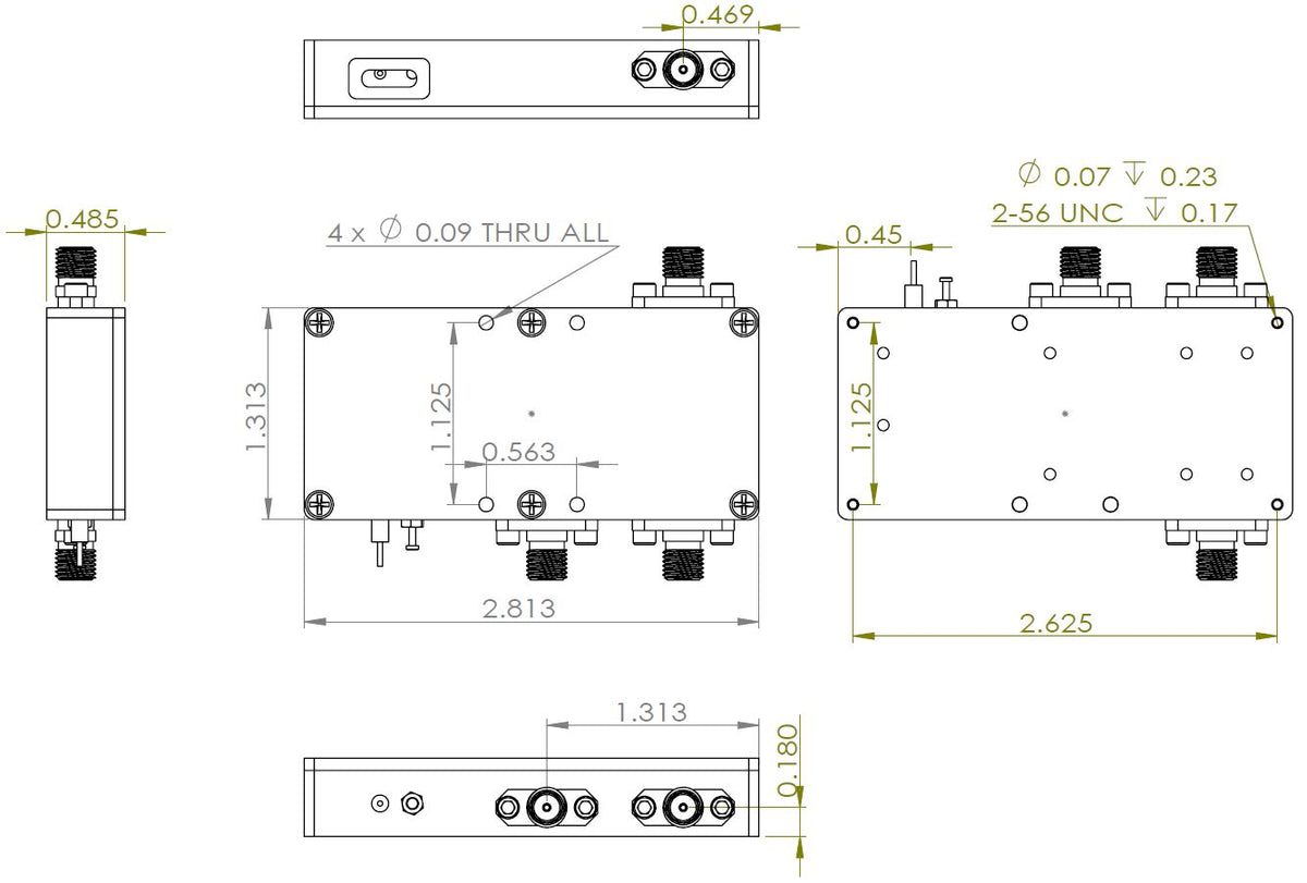
It has 8.0dB conversion loss at 5.8GHz with low LO‐RF leakage <30dBm. It can be powered either by USB‐C or +5~6V terminal with 235mA current draw. It has dimension of 2.8125”x1.3125”x0.48”.
The converter has broad applications and can be used to extend spectrum analyzer measurement range to 14GHz. SKU#: AK20-022M.
Proudly Made in USA by Lotus Communication Systems, INC. in Massachusetts (www.lotussys.com).
Self-Executable GUI SW Download