


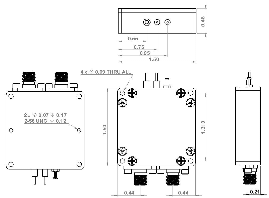
Part Number: PLO10G10MH is a 10 GHz Phase Locked Oscillator with an external 10 MHz reference oscillator. The PLO features excellent phase noise performance of -72 dBc/Hz @ 10kHz offset. Supply Voltage is +5V DC with low power consumption (<2 watt). This PLO is RoHS complaint with compact coaxial package (1.5”x1.5”x0.48”) and Nickel plated. It supports SMA connector and DC Bias Pins and 3.3V Lock Detect pin to indicate out-of-lock condition. The reference oscillator has an high output power level of +12 dBm and 2nd harmonic output of -20dBc typical. It only weights 1.5 Oz (42g).
Proudly Made in USA by Lotus Communication Systems, INC. in Weston, MA.