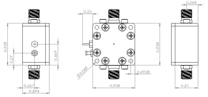
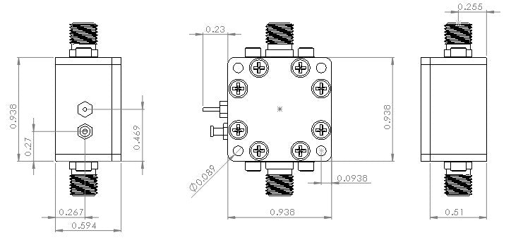
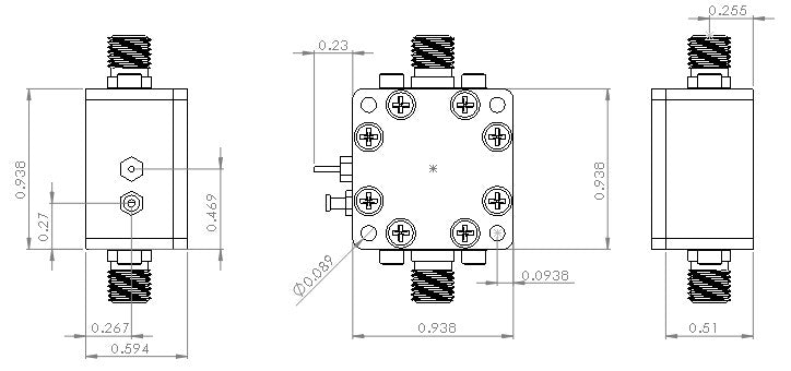
PN#: GBA4G10G is a HBT Gain Block MMIC Amplifier covering 4 GHz to 10 GHz in a small 15/16”x15/16”x0.59” shielded RF enclosure (PN: 6UDD2W6S1A2). This amplifier can be used as a cascadable IF or RF gain stage in 50 Ohm applications. It delivers 14.5 dB gain, and +13dBm output P1dB with only 3.5 dB noise figure. The Gain Block can be biased from a single supply +5V.
Listed pictures include Product Picture and S Parameter from 4 to 10 GHz.
Proudly Made in USA by Lotus Communication Systems, INC. in Massachusetts.
Sign up to get the latest on sales, new releases and more …


